台湾HYDROMAX新鸿HGP-3A齿轮泵
SCHEMATIC SYMBOL
ORDER CODES
| Model Name | HGP-3A |
| Mounting | F Flange Type |
| L Foot Type | |
| Delivery Capacity | 2,3,4,6,8,11,13,14,17,19,23,25,28,30,33,35 |
| Rotation Direction | R Clockwise |
| L Counter-Clockwise | |
| M Hydraulic Motor | |
| Shaft Type | X Straight Shaft |
| Y Spline Shaft | |
| Z Taper Shaft | |
| Flange Mounting Type | 2B SAE 2-bolt |
| 4BD DIN 4-bolt | |
| 4BE European 4-bolt | |
| Inlet and Outlet* | F flange type(F1~F6) |
| G G,BSP,PF(G1~G2) | |
| P PT(P1~P2) | |
| U UNF(U1~U2) |
SPECIFICATIONS
| Model | Accurate | Pressure | (kgf/cm2) | Speed | (r.p.m) | Weight(kg) | |||
| Displacement | Port Size | (PT) | |||||||
| Capacity | |||||||||
| (cc/rev) | normal | Max | Rate | Max | Min | Inlet | Outlet | ||
| HGP-3A-F2R | 2 | 210 | 250 | 1800 | 4000 | 700 | 3/4″ | 1/2″ | 2.19 |
| HGP-3A-F3R | 3 | 210 | 250 | 1800 | 4000 | 700 | 3/4″ | 1/2″ | 2.23 |
| HGP-3A-F4R | 4 | 210 | 250 | 1800 | 4000 | 700 | 3/4″ | 1/2″ | 2.29 |
| HGP-3A-F6R | 6 | 210 | 250 | 1800 | 4000 | 700 | 3/4″ | 1/2″ | 2.37 |
| HGP-3A-F8R | 8.4 | 210 | 250 | 1800 | 3500 | 700 | 3/4″ | 1/2″ | 2.45 |
| HGP-3A-F11R | 11 | 210 | 250 | 1800 | 3000 | 600 | 3/4″ | 1/2″ | 2.6 |
| HGP-3A-F13R | 13 | 210 | 250 | 1800 | 3000 | 600 | 3/4″ | 1/2″ | 2.7 |
| HGP-3A-F14R | 14.3 | 210 | 250 | 1800 | 3000 | 500 | 3/4″ | 1/2″ | 2.76 |
| HGP-3A-F17R | 16.5 | 210 | 250 | 1800 | 3000 | 500 | 3/4″ | 1/2″ | 2.87 |
| HGP-3A-F19R | 19.2 | 210 | 250 | 1800 | 3000 | 500 | 3/4″ | 1/2″ | 2.99 |
| HGP-3A-F23R | 23 | 210 | 250 | 1800 | 3000 | 500 | 3/4″ | 1/2″ | 3.19 |
| HGP-3A-F25R | 25 | 175 | 210 | 1800 | 2800 | 500 | 1″ | 3/4″ | 3.24 |
| HGP-3A-F28R | 28 | 175 | 210 | 1800 | 2500 | 500 | 1″ | 3/4″ | 3.35 |
| HGP-3A-F30R | 30 | 175 | 210 | 1800 | 2500 | 500 | 1″ | 3/4″ | 3.45 |
| HGP-3A-F33R | 33 | 140 | 175 | 1200 | 2500 | 500 | 1″ | 3/4″ | 3.6 |
| HGP-3A-F35R | 35 | 125 | 140 | 1200 | 2500 | 500 | 1″ | 3/4″ | 3.71 |
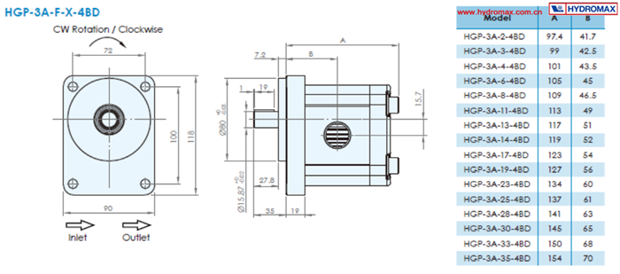
DIMENSIONS(UNIT:mm)


DECOMPOSITION CHARTS

ADDITIONAL DIMENSION




























