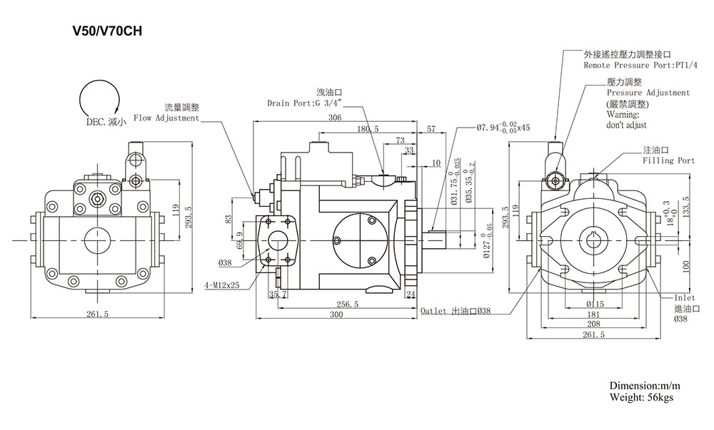
台湾TAICIN泰炘V可变排量柱塞泵


柱塞幫浦適用於
NC 車床
MC加工機
彎管機
吹瓶機
高效率的專用機或沖床
流量從15cc/rev到70cc.rev可選購
特性
- 大金型。
- 斜盤式軸向設計,可廣汎使用產業機械。
- 全壓力範圍,低噪音。
- 特殊控制方式,形成系統節能回路功能。
- 功率損失小,可減少油溫上升,適合小容量油箱。
規格
| 形式 | 最高使用壓力 KGF/CM² |
吐出量 CC/REV |
無負荷時之吐出量 L/MIN (GPM) | 壓力調整範圍 KGF/CM² |
回轉數 (RPM) | ||
|---|---|---|---|---|---|---|---|
| 1500 rpm | 1800 rpm | 最低 | 最高 | ||||
| V15 | 250 | 15 | 22.5 | 27.0 | A1: 8 ~ 70 A2: 15 ~ 140 A3: 20 ~ 210 A4: 20 ~ 250 |
500 | 1800 |
| V18 | 17.8 | 26.7 | 32.0 | ||||
| V23 | 23.0 | 35.4 | 41.4 | ||||
| V38 | 37.8 | 56.7 | 68.0 | ||||
| V50 | 210 | 51.5 | 77.2 | 92.7 | |||
| V70 | 69.7 | 104.5 | 125.4 | ||||
控制方法
| 名稱 | 油壓符號 | 性能特性 | 說明 |
|---|---|---|---|
| A 壓力補償控制 | ![]() |
![]() |
1. 系統壓力增加到設定的限定壓力時,流量會自動下降,唯壓力維持不變。 2. 流量和限定壓力可以手動調整。 |
| A-RC 遠端壓力補償型式 | ![]() |
![]() |
1. 和A型相同,並可遠程搖控調整壓力。 |
| CH 兩段式壓力流量組合控制 | ![]() |
![]() |
1. 有”低壓大流量,高壓小流量”之高低壓幫浦功能,可選小功率的發動機。 2. 系統壓力增高,接近預調的PH時,幫浦的流量自動降到QL。 3. 壓力PH PL或流量QH QL可調整。 4. 適用於空行程長,加壓行程短的機械;速度快,省馬力。 |
| CH-RC 遠端搖控的兩段式壓力流量組合控制 | ![]() |
![]() |
1. 和CH型相同,並可搖控調整壓力。 |
形式記號說明














































