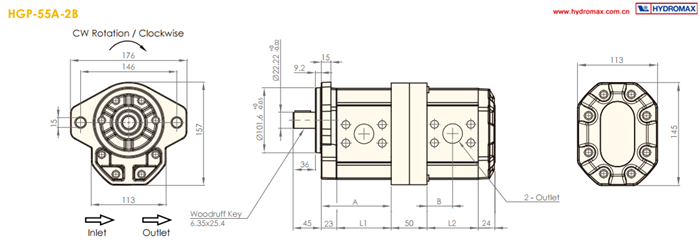
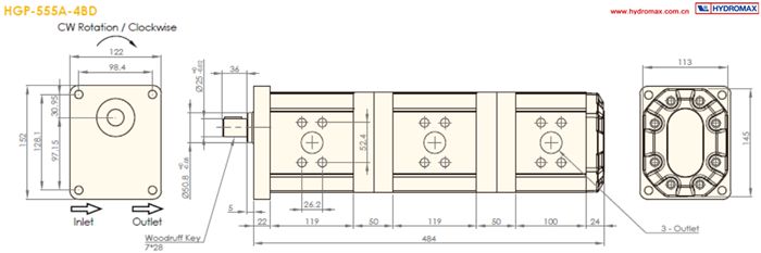
台湾HYDROMAX新鸿HGP-55A齿轮泵
SCHEMATIC SYMBOL
ORDER CODES
| Model Name | HGP-55A,HGP-555A |
| Mounting | F Flange Type |
| L Foot Type | |
| Delivery Capacity | 22,26,33,44,48,55,63,75,80,90 |
| Rotation Direction | R Clockwise |
| L Counter-Clockwise | |
| Shaft Type | X Straight Shaft |
| Y Spline Shaft | |
| Z Taper Shaft | |
| Flange Mounting Type | 2B SAE 2-bolt |
| 4BD DIN 4-bolt | |
| Inlet and Outlet* | F flange type(F1~F8) |
| G G,BSP,PF(G1~G4) | |
| P PT(P1~P2) | |
| U UNF(U1~U6) |
SPECIFICATIONS
| Model | Accurate | Pressure | (kgf/cm2) | Speed | (r.p.m) | Weight(kg) |
| Displacement | ||||||
| Capacity | ||||||
| (cc/rev) | normal | Max | Loaded | Unloaded | ||
| HGP-55A-F2222R | 22+22 | 250 | 300 | 3000 | 700 | 11.22 |
| HGP-55A-F2626R | 26+26 | 250 | 300 | 3000 | 700 | 11.38 |
| HGP-55A-F3333R | 33+33 | 250 | 300 | 3000 | 700 | 11.66 |
| HGP-55A-F4444R | 44+44 | 210 | 250 | 3000 | 700 | 12.10 |
| HGP-55A-F4848R | 48+48 | 210 | 250 | 3000 | 700 | 12.26 |
| HGP-55A-F5555R | 55+55 | 210 | 250 | 3000 | 700 | 12.54 |
| HGP-55A-F6363R | 63+63 | 210 | 250 | 3000 | 600 | 12.86 |
| HGP-55A-F7575R | 75+75 | 180 | 210 | 3000 | 600 | 13.34 |
| HGP-55A-F8080R | 80+80 | 170 | 200 | 3000 | 600 | 13.54 |
| HGP-55A-F9090R | 90+90 | 160 | 190 | 2500 | 600 | 13.94 |
DIMENSIONS(UNIT:mm)





























