HGP-5A齿轮泵-台湾HYDROMAX新鸿
SCHEMATIC SYMBOL
ORDER CODES
| Model Name | HGP-5A |
| Mounting | F Flange Type |
| L foot type | |
| Delivery Capacity | 22,26,33,44,48,55,63,75,80,90 |
| Rotation Direction | R Clockwise |
| L Counter-Clockwise | |
| M hydraulic motor* | |
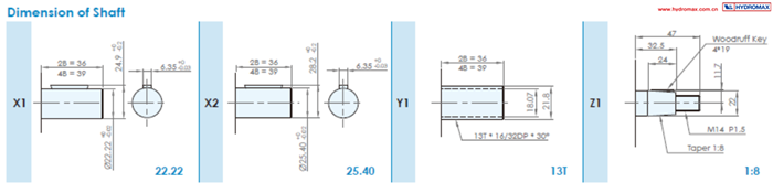
| Shaft Type* | X Straight Shaft |
| Y Spline Shaft | |
| Z Taper Shaft | |
| Flange Mounting Type | 2B SAE 2-bolt |
| 4BD DIN 4-bolt | |
| Inlet and Outlet* | F flange type(F1~F7) |
| G G,BSP,PF(G1~G4) | |
| P PT(P1~P2) | |
| U UNF(U1~U6) |
SPECIFICATIONS
| Model | Accurate | Pressure | (kgf/cm2) | Speed | (r.p.m) | Weight(kg) |
| Displacement | ||||||
| Capacity | ||||||
| (cc/rev) | normal | Max | Loaded | Unloaded | ||
| HGP-5A-F22R | 22 | 250 | 300 | 3000 | 700 | 5.61 |
| HGP-5A-F26R | 26 | 250 | 300 | 3000 | 700 | 5.69 |
| HGP-5A-F33R | 33 | 250 | 300 | 3000 | 700 | 5.83 |
| HGP-5A-F44R | 44 | 210 | 250 | 3000 | 700 | 6.05 |
| HGP-5A-F48R | 48 | 210 | 250 | 3000 | 700 | 6.13 |
| HGP-5A-F55R | 55 | 210 | 250 | 3000 | 700 | 6.27 |
| HGP-5A-F63R | 63 | 190 | 240 | 3000 | 600 | 6.43 |
| HGP-5A-F75R | 75 | 180 | 210 | 3000 | 600 | 6.67 |
| HGP-5A-F80R | 80 | 170 | 200 | 3000 | 600 | 6.77 |
| HGP-5A-F90R | 90 | 160 | 190 | 2500 | 600 | 6.97 |
DIMENSIONS(UNIT:mm)
































